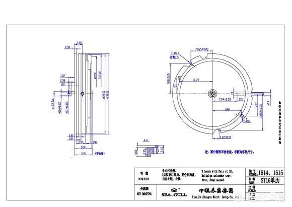
海鸥表厂简介海鸥表业集团有限公司是以海鸥表业(天津手表厂)为核心,由23个钟、手表及精密器件生产厂家等组成的行业性集团,是国内大型精密机械手表机芯制造基地。自1955年研制中国第一只国产手表开始,中国第一只符合国际标准的女表、中国第一只出口手表、中国第一只获得国际金奖的手表均诞生在这里;2001年产品通过ISO9001质量体系认证,2002、2005年两届被评为“中国名牌”,2005年8月被认定为“中国驰名商标”,2006年12月又被评为“中华老字号”。海鸥手表集团公司是我国最早建立的机械手表生产基地,通过与大连、烟台、石家庄、上海、南京等地的联合,实现了国内手表产业优势重组,组建了中国手表行业中颇具规模的手表生产联合体。自动机械手表机芯年生产能力已达600万只。并已形成了10个系列,80多个品种,400多个花色,自主知识产权产品达到90%以上,代表国际手表制造技术顶尖水平的“陀飞轮”、“问表”、“万年历”表正在走向世界。以海鸥品牌冠名的精密机械配套加工产品,为摩托罗拉、三星、精工、西门子等跨国集团进行的高新技术产品配套,已成为企业的第二个产品大类;产业资源配套能力齐全,手表元件、外观等产品也正在形成国际化配套实力;以天津世纪钟等为代表的建筑钟产品也在不断满足市场的需求。2008年为加快发展中国手表产业,打造“海鸥”民族品牌,公司与香港周大福珠宝金行有限公司合作实现跨越式发展,使公司的资产规模和营销网络有了新的提高。2008年公司发展规划的海鸥工业园项目,被市政府列为新二十项重点项目,投资近10亿元在滨海新区建设20余万平方米的新型工业园,把海鸥手表产业建设成为具有较完整手表产业链和精密机械加工产业的国内第一,世界知名工业园。海鸥机芯介绍海鸥品牌共有十一大机芯系列:ST6、ST16、ST17、ST18、ST19、ST21、ST22、ST25、ST28、ST36、ST80;海鸥ST16机芯海鸥ST16单历自动上链机芯由1997年3月成立设计组,仿自于西铁城8205机芯。同原型的8205机芯相比在自动结构上有所改变并且增加了止秒功能。2000年之后在基础机芯上又衍生出多款多功能日历机芯。是天津海鸥最早开发的机芯系列,在国产机芯当中属于低端产品,因其价格极低,与明珠、南宁、等同样仿自日本西铁城机芯成了低端假表机芯的主力军。海鸥ST16机芯存在以下几个问题:1、击摆,可以说是海鸥的击摆鼻祖并且非常严重;2、跳秒;有人说这是装配的问题其实不然这个是它本身的结构所造成的;3、此机芯其他型号的多功能机芯摆幅不稳定,位差较大,误差不稳定都是它的缺点。机芯参数机芯尺寸:25.6mm*5.55mm动力储备:15H左右机芯钻数:21钻机芯摆频:21600VPH海鸥ST16系列机芯里共有32个子系列机芯,大部分都已经停产。这里介绍几款有余量或者是还在产的经典机芯,也是低端假表里比较常见的。并且给出机芯的外廓图用于加深大家对ST16系列机芯的了解。海鸥ST1612机芯,此机芯时常见大三针机芯带有日历,自动上链,也是低端假表里用的最多的。海鸥ST1612-4.5,经典大三针,日历窗口在4点和5点位之间,自动上链,带有停秒杆
海鸥ST1612-6机芯,大三针带日历自动上链机芯
海鸥ST1613机芯,大三针带日历自动上链机芯,可止秒
海鸥ST1714机芯,大三针带日历自动上链机械机芯,可止秒
海鸥ST1615机芯,大三针带日历自动上链机芯,可止秒,与1614除了日历盘颜色不一样,其他相同
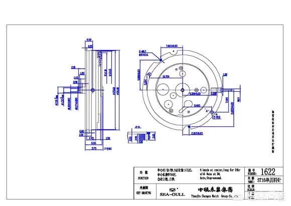
海鸥ST1622机芯,四针带日历自动上链,可止秒
下面是带有日历和星期的自动上链机芯。星期不带中英文切换。海鸥ST1632
海鸥ST1632-6
海鸥ST1632-G,星期可切换数字
海鸥ST1633
这几款机芯也是大三针双历机芯,但星期是在外圈的,有点像海鸥2146和ETA2834机芯。海鸥1642机芯
海鸥ST1643机芯
海鸥ST1644机芯
海鸥ST1645机芯
海鸥ST1651机芯,2点位24时指针,4点位日历显示,6点位指针式月份,10点位星期显示,自动上链,可止秒
海鸥ST1652机芯,3点位指针式日历,6点位星辰显示24时指针,9点位指针式星期,12点位指针式月份,自动上链,可止秒
海鸥ST1653机芯,3点位日历显示,6点位24时指针带星辰月相,9点位指针式星期,12点位指针式月份,自动上链,可止秒
海鸥ST1654-4.5机芯,3点位指针式月份,4点与5点之间日历显示,6点月相星辰,9点指针式星期显示,自动上链,可止秒
海鸥ST1654-6机芯,3点位指针式月份,4点与5点之间日历显示或6点下日历显示,6点上24时指针,9点位指针式星期,自动上链,可止秒
海鸥ST1655机芯,12点位右下窗口英文月份显示,12点左下窗口年份年份显示,3点位指针式日历,6点位24时指针带星辰月相盘,9点位指针式星期显示,自动上链,可止秒
海鸥ST1655-2-10机芯,2点右下窗口英文月份显示,3点位指针式日历,6点位24时指针带星辰月相盘,9点位指针式星期,10点位左下窗口年份显示,自动上链,可止秒
海鸥ST1659机芯,6点位指针式日历,自动上链,可止秒
海鸥ST1661机芯,12点下大窗口日历显示,3点位指针月份,6点位24时指针带星辰月相盘,9点位指针式星期显示,自动上链,可止秒
海鸥ST1670机芯,12点右下月份显示,12点左下星期显示,6点位带星辰月相盘,自动上链,可止秒
海鸥ST1671机芯,12点位右下月份显示,12点位左下星期显示,6点位小秒针带星辰月相盘,自动上链,可止秒
海鸥ST1672机芯,2点位指针式月份,6点位星辰月相盘,10点位指针式星期,自动上链,可止秒
海鸥ST1680机芯,12点位下动能显示,3点位日历显示,6点位可调24时指针,自动上链,可止秒
海鸥ST1681机芯,12点位动能显示,3点位日历显示,6点位小秒针,自动上链,可止秒
海鸥ST1690机芯,6点位指针日历,自动上链,可止秒

已解决